lv
Par rakstisku nomas tiesību izsoli Baznīcas ielā 19/23, Rīgā

04.12.2025

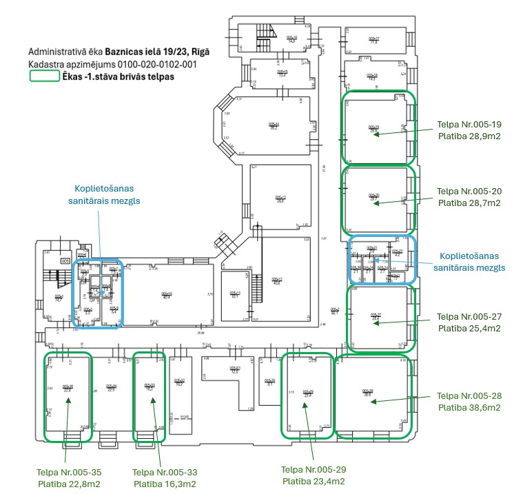
Rakstiska nomas tiesību izsole - 1. stāva telpu grupas 005 telpām Nr. 18, 20, 27-29, 33, 35, kas atrodas ēkā Baznīcas ielā 19/23, Rīgā

  • Izsoles izsludināšanas datums: 04.12.2025.

  • Nomas tiesību pretendentu  pieteikšanās termiņš, laiks un vieta: no 04.12.2025. līdz 10.12.2025. plkst. 12:00, SIA "Rīgas nami", Rātslaukums 5 (ieeja no Svaru ielas), Rīga.

  • Izsoles datums, laiks: 11.12.2025. plkst.11:00.

 

Sludinājums

Pieteikuma veidlapa

Nolikums

Parauglīgums

Telpu plāns

 

Izsole ir noslēgusies.

 

Izsoles rezultāts:

  • izsoles datums: 11.12.2025.;

  • tiesības slēgt nomas līgumu ieguva fiziska persona;

  • pretendenta piedāvātā nomas maksa 5,00 EUR/m2/mēnesī bez PVN;

  • par telpu grupas 005 telpām Nr. 18, 20, 27-29, 35 nav saņemts neviens pieteikums.

 

Atjaunināts 18.12.2025.